Приватна особа
OLX Доставка
ХАРАКТЕРИСТИКИ
- Стан
Вживане
Опис
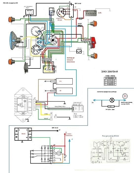
Переделка электрооборудования ЯВА- 634 6В. на 12 В. Переделка заключается в том что не надо ничего ломать вырезать как это многие делают, подгоняют под генератор от ЯВА- 638. ( тем самым ломают перегородки картера двигателя или правой крышки картера). Правая крышка становится как на зажигании 6В. без подрезок и модернизаций.
В моём случае это использовать статор и якорь от мотоцикла ИЖ, изготовление специальной переходной шайбы ( не годится те шайбы которые предлагаются в интернете) а также изготовление стакана под статор генератора, доработка реле регулятора, незначительная переделка электропроводки, установка МПСЗ (микропроцессорная бесконтактная система зажигания) без неё к сожалению никак + токарные работы.
Проверено всё работает, надо было бы покрасить ну на это не хватило времени.
Тепер стосовно замірів: на рис. 2 (фото замірів) не указано отвір для кріплення до картера двигуна, це зроблено спеціально тому що я не зможу зробити якісно замір (покажіть токарю старий статор і він сам зробе замір) або дивіться на фото.
на рис. 1,2 не показано кріплення яке з’єднує план шайбу і статор- це подивитись на фото, кріплення МПСЗ і щітки якоря теж дивіться на фото, думаю що на цей час у Вас з’являться кращі рішення стосовно цих кріплень (поділіться будь ласка)
Если заинтересовало - звоните пишите , публикуется не ради денег.
Більше інфи тільки по тел,
://drive.google.com/drive/folders/1EeUDMy_KnMHiDPUu5VrwLvGKMnDPcIFJ
В моём случае это использовать статор и якорь от мотоцикла ИЖ, изготовление специальной переходной шайбы ( не годится те шайбы которые предлагаются в интернете) а также изготовление стакана под статор генератора, доработка реле регулятора, незначительная переделка электропроводки, установка МПСЗ (микропроцессорная бесконтактная система зажигания) без неё к сожалению никак + токарные работы.
Проверено всё работает, надо было бы покрасить ну на это не хватило времени.
Тепер стосовно замірів: на рис. 2 (фото замірів) не указано отвір для кріплення до картера двигуна, це зроблено спеціально тому що я не зможу зробити якісно замір (покажіть токарю старий статор і він сам зробе замір) або дивіться на фото.
на рис. 1,2 не показано кріплення яке з’єднує план шайбу і статор- це подивитись на фото, кріплення МПСЗ і щітки якоря теж дивіться на фото, думаю що на цей час у Вас з’являться кращі рішення стосовно цих кріплень (поділіться будь ласка)
Если заинтересовало - звоните пишите , публикуется не ради денег.
Більше інфи тільки по тел,
://drive.google.com/drive/folders/1EeUDMy_KnMHiDPUu5VrwLvGKMnDPcIFJ
ID: 485018340
Зв’язатися з продавцем
xxx xxx xxx
Опубліковано 07 січня 2026 р.
ЯВА- 634 6В. на 12 В.
1 000 грн.
Договірна
Місцезнаходження
Повернення
Впевненість у кожній покупці
Ви можете безкоштовно повернути товар при отриманні, якщо він не відповідає вашим очікуванням. Докладніше