Приватна особа
Підкатегорії: Інші периферійні пристрої
Стан: Нове
OLX Доставка
Опис
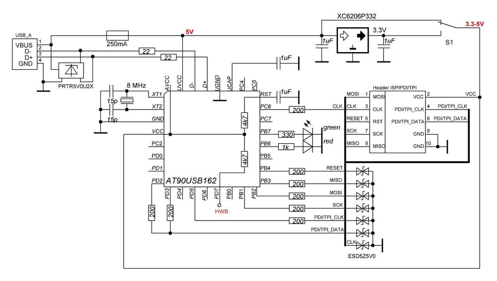
AVRISPmkll clone - компактный, быстрый и дешёвый USB-программатор для микроконтроллеров AVR, совместимый с фирменным программатором AVRISP-MKII от Atmel, обладающим немалой стоимостью. Устройство может программировать все 8-разрядные AVR-микроконтроллеры с возможностью внутрисхемного программирования (поддерживаются интерфейсы ISP, TPI и PDI).
AVRISPmkll clone обладает следующими возможностями:
Поддержка интерфейса программирования ISP (для микроконтроллеров ATTiny и ATMega).
Поддержка интерфейса программирования TPI ( для микроконтроллеров ATtiny4, ATtiny5, ATtiny9, ATtiny10, ATtiny20, ATtiny40).
Поддержка интерфейса программирования PDI (для микроконтроллеров XMega)
Возможность запитать сам программатор и программируемый микроконтроллер от 3.3В или 5В (выбирается движковым переключателем).
Это быстрый программатор. 128 Кб флеша ATMega128 полностью считываются за 35 секунд (для сравнения, usbasp делает это за 70 секунд).
Работа как с утилитой avrdude, CodeVisionAVR, так и с IDE AtmelStudio (которая видит программатор как родную железку).
Есть вывод CLK для воскрешения микроконтроллера с “испорченными” FUSE битами.
Присутствует защита от к.з. резисторами, а от статики супрессорами как USB входа , так и выходного разъёма.
Существует две версии: самая простая v30 - 350грн и v35 - 580грн.
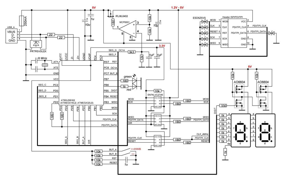
Более продвинутая версия программатора AVRISP mkII с преобразователем уровней (SN74LVC2T45) и регулируемым питанием целевой платы. Здесь так же присутствует защита входов\выходов от статики супрессорами и от короткого замыкания резисторами 180 Ом. Регулировка осуществляется кнопками +\- с соответствующим изменением уровней сигналов программирования. Статус программатора сохраняется в памяти и при последующем включении настройки восстановятся. При желании в программаторе можно сменить прошивку фирменной утилитой FLIP, для этого при включении удерживать нажатой верхнюю кнопку "+".
Выходное напряжение откалибровано в диапазоне 1.2-5.0 В. Для калибровки (если это необходимо) при включении удерживать нажатой нижнюю кнопку "-".
Во время работы можно включать\отключать питание целевой платы одновременным нажатием обеих кнопок.
По питанию защита самовостанавливающимся полимерным предохранителем.
Программаторы защищёны прозрачной термоусадкой.
Детально в теме AVRISP mkII новый клон (поддерживает XMEGA) на сайте radiokot.ru
Перед заказом пишите или звоните.
AVRISPmkll clone обладает следующими возможностями:
Поддержка интерфейса программирования ISP (для микроконтроллеров ATTiny и ATMega).
Поддержка интерфейса программирования TPI ( для микроконтроллеров ATtiny4, ATtiny5, ATtiny9, ATtiny10, ATtiny20, ATtiny40).
Поддержка интерфейса программирования PDI (для микроконтроллеров XMega)
Возможность запитать сам программатор и программируемый микроконтроллер от 3.3В или 5В (выбирается движковым переключателем).
Это быстрый программатор. 128 Кб флеша ATMega128 полностью считываются за 35 секунд (для сравнения, usbasp делает это за 70 секунд).
Работа как с утилитой avrdude, CodeVisionAVR, так и с IDE AtmelStudio (которая видит программатор как родную железку).
Есть вывод CLK для воскрешения микроконтроллера с “испорченными” FUSE битами.
Присутствует защита от к.з. резисторами, а от статики супрессорами как USB входа , так и выходного разъёма.
Существует две версии: самая простая v30 - 350грн и v35 - 580грн.
Более продвинутая версия программатора AVRISP mkII с преобразователем уровней (SN74LVC2T45) и регулируемым питанием целевой платы. Здесь так же присутствует защита входов\выходов от статики супрессорами и от короткого замыкания резисторами 180 Ом. Регулировка осуществляется кнопками +\- с соответствующим изменением уровней сигналов программирования. Статус программатора сохраняется в памяти и при последующем включении настройки восстановятся. При желании в программаторе можно сменить прошивку фирменной утилитой FLIP, для этого при включении удерживать нажатой верхнюю кнопку "+".
Выходное напряжение откалибровано в диапазоне 1.2-5.0 В. Для калибровки (если это необходимо) при включении удерживать нажатой нижнюю кнопку "-".
Во время работы можно включать\отключать питание целевой платы одновременным нажатием обеих кнопок.
По питанию защита самовостанавливающимся полимерным предохранителем.
Программаторы защищёны прозрачной термоусадкой.
Детально в теме AVRISP mkII новый клон (поддерживает XMEGA) на сайте radiokot.ru
Перед заказом пишите или звоните.
ID: 834558195
Зв’язатися з продавцем
xxx xxx xxx
Опубліковано 24 листопада 2025 р.
программатор AVRISP mkII (поддерживаются интерфейсы ISP, TPI и PDI)
350 грн.
Місцезнаходження
Повернення
Впевненість у кожній покупці
Ви можете безкоштовно повернути товар при отриманні, якщо він не відповідає вашим очікуванням. Докладніше