Бізнес
OLX Доставка
ХАРАКТЕРИСТИКИ
- Тип запчастини
Оригінал
- Стан
Нове
Опис
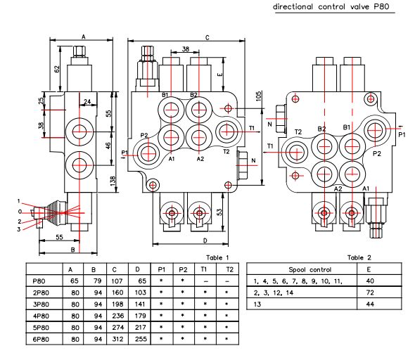
Гідравлічний розподільник 04Р80 використовується для включення/вимикання та направлення робочої рідини між генераторами напірного потоку (гідравлічні насоси), споживачами напірного потоку (гідравлічні циліндри, мотори і т.д.), та резервуар. Він виробляється до 6 поршнями з паралельним чи послідовним розподілом
Гідравлічний розподільник 04Р80 є моноблочним розподільником з ручним управлінням. Корпус виготовлений із чавуну EN-GJL300, а золотники із цементації сталі з твердим хромом.
Характеристики 04Р80:
Номінальна витрата: 80 л/хв
Максимальний тиск на виходах Р, N: 250 bar
Максимальний тиск на виходах А, B: 300 bar
Максимальний тиск на виході Т: 50 bar
Розміри різьбових отворів у портах А, В: 1/2”
Розміри різьбових отворів у портах P, Т та N: 3/4″
Діапазон робочих температур: від -40 до +60 о С
Внутрішні витоку при Р=120 bar (А, В – Т): 18 см 3 /хв
Хід золотника: ±7мм
Зусилля на рух золотника: 200 N
Також ми пропонуємо інші розподільники:
1Р80 без фіксації P80 1A GKz1 односекційний
1Р80 з фіксацією P80 8A GKz1 односекційний
2Р80 без фіксації 02P80 1A1A1 GKz1 двосекційний
2Р80 з фіксацією 02P80 1A8A8 GKz1 двосекційний
3Р80 без фіксації 03P80 1A1A1A1 GKz1 трисекційний
3Р80 з фіксацією 03P80 1A8A8A8 GKz1 трисекційний
4Р80 без фіксайії 04P80 1A1A1A1A1 GKz1 чотирисекційний
4Р80 з фіксацією 04P80 1A8A8A8A8 GKz1 чотирисекційний
5P80 з фіксацією 5P80 1A1A1A1A1A1 GKZ1 п'ятисекційний
6P80 з фіксацією 6P80 1A1A1A1A1A1A1 GKZ1 шестисекційний
Код: 4P80 1A1A1A1A1 GKZ1
Сайт: interzbut.com.ua
Гідравлічний розподільник 04Р80 є моноблочним розподільником з ручним управлінням. Корпус виготовлений із чавуну EN-GJL300, а золотники із цементації сталі з твердим хромом.
Характеристики 04Р80:
Номінальна витрата: 80 л/хв
Максимальний тиск на виходах Р, N: 250 bar
Максимальний тиск на виходах А, B: 300 bar
Максимальний тиск на виході Т: 50 bar
Розміри різьбових отворів у портах А, В: 1/2”
Розміри різьбових отворів у портах P, Т та N: 3/4″
Діапазон робочих температур: від -40 до +60 о С
Внутрішні витоку при Р=120 bar (А, В – Т): 18 см 3 /хв
Хід золотника: ±7мм
Зусилля на рух золотника: 200 N
Також ми пропонуємо інші розподільники:
1Р80 без фіксації P80 1A GKz1 односекційний
1Р80 з фіксацією P80 8A GKz1 односекційний
2Р80 без фіксації 02P80 1A1A1 GKz1 двосекційний
2Р80 з фіксацією 02P80 1A8A8 GKz1 двосекційний
3Р80 без фіксації 03P80 1A1A1A1 GKz1 трисекційний
3Р80 з фіксацією 03P80 1A8A8A8 GKz1 трисекційний
4Р80 без фіксайії 04P80 1A1A1A1A1 GKz1 чотирисекційний
4Р80 з фіксацією 04P80 1A8A8A8A8 GKz1 чотирисекційний
5P80 з фіксацією 5P80 1A1A1A1A1A1 GKZ1 п'ятисекційний
6P80 з фіксацією 6P80 1A1A1A1A1A1A1 GKZ1 шестисекційний
Код: 4P80 1A1A1A1A1 GKZ1
Сайт: interzbut.com.ua
ID: 450289288
Зв’язатися з продавцем
xxx xxx xxx
Опубліковано 17 жовтня 2025 р.
Гідророзподільник моноблочний 4Р80 на МТЗ, ЮМЗ Badestnost Болгарія
9 800 грн.
Договірна

Місцезнаходження
Повернення
Впевненість у кожній покупці
Ви можете безкоштовно повернути товар при отриманні, якщо він не відповідає вашим очікуванням. Докладніше