Бизнес
Без комиссии
Расстояние до ближайшего города: В городе
Расположение: Фасадное помещение
Тип объекта: Нежилое помещение в жилом фонде
Этаж: 1
Этажность: 8
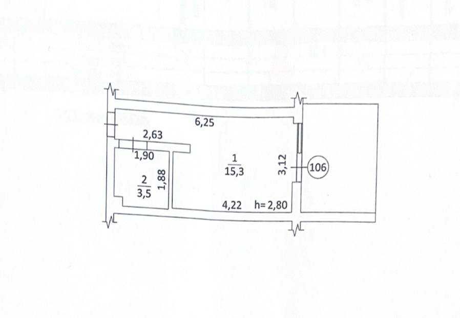
Общая площадь: 21.60 м²
Год постройки / сдачи: После 2015
Санузел: Да
Ремонт: Нет
Комфорт: Гостевой паркинг, Панорамные окна, Парковочное место
Бытовая техника: Без бытовой техники
Коммуникации: Асфальтированная дорога, Центральная канализация, Электричество, Центральный водопровод
Инфраструктура (до 500 метров): Отделение банка, банкомат, Парк, зелёная зона, Стоянка, парковка, гараж, Отделение почты, Ресторан, кафе, бар, Учебные заведения, Супермаркет, ТРЦ, Транспортная развязка
Ландшафт (до 1 км.): Парк
Описание
Продаж комерційного приміщення у ЖК Soloway Пасічна,150
Продається комерційне приміщення
Локація: вул. Пасічна,150 (бічна вул. Пимоненка)
Забудовник Квітка Майстерня будинків.
Приміщення на першому поверсі. Є окремий з підʼїзду або можна зробити з фасаду захід.
Площа - 21,6 м.кв.
Приміщення - 15,3 м.кв.
Санвузол - 3,5 м.ка.
Тераса - 9,3 м.кв. (при потребі можна засклити і збільшити площу).
Висота стелі 3,30м
Потужність електропостачання 11кВт - 3 фази.
Встановлений електричний, водяний лічильники.
Точки підключення води/каналізації
Стіни – керамоблок, підлога – без стяжки, стіни - гіпсова штукатурка.
Вікна металопластикові, 6- камерний профіль, 2-камерний склопакет. (вікна виходять на захід).
Підійде під: офіс, представництво, кафе, магазин товару з Європи, тату салон, медичний кабінет, салон краси тощо.
Можна здавати в оренду за 350$, тому цікавий варіант під інвестицію також.
Густозаселений район. Поруч новобудови, коледж та автомийка.
Є наземний та підземний паркінги.
Вартість - 41 040$
Продаж без комісії.
Є відеоогляд. Оглянути приміщення можна в будь який час, телефонуйте.
Продається комерційне приміщення
Локація: вул. Пасічна,150 (бічна вул. Пимоненка)
Забудовник Квітка Майстерня будинків.
Приміщення на першому поверсі. Є окремий з підʼїзду або можна зробити з фасаду захід.
Площа - 21,6 м.кв.
Приміщення - 15,3 м.кв.
Санвузол - 3,5 м.ка.
Тераса - 9,3 м.кв. (при потребі можна засклити і збільшити площу).
Висота стелі 3,30м
Потужність електропостачання 11кВт - 3 фази.
Встановлений електричний, водяний лічильники.
Точки підключення води/каналізації
Стіни – керамоблок, підлога – без стяжки, стіни - гіпсова штукатурка.
Вікна металопластикові, 6- камерний профіль, 2-камерний склопакет. (вікна виходять на захід).
Підійде під: офіс, представництво, кафе, магазин товару з Європи, тату салон, медичний кабінет, салон краси тощо.
Можна здавати в оренду за 350$, тому цікавий варіант під інвестицію також.
Густозаселений район. Поруч новобудови, коледж та автомийка.
Є наземний та підземний паркінги.
Вартість - 41 040$
Продаж без комісії.
Є відеоогляд. Оглянути приміщення можна в будь який час, телефонуйте.
ID: 904113049
Связаться с продавцом
xxx xxx xxx
Опубликовано 21 октября 2025 г.
Продаж комерційної нерухомості ЖК Solowey вул Пасічна
41 040 $
Местоположение
Львов, Сиховский
Львовская область