Частное лицо
Состояние: Новое
Подключение устройства: Сеть
Форма выходного напряжения: Чистая синусоида
Этот товар поможет при блэкауте
OLX Доставка
Описание
Опис товару
Rexroth VFC 3610 і 5610 сконцентрований в основному на ринках, що розвиваються. VFC 3610 - це вдосконалена модель перетворювача зі скалярним управлінням U/f, розроблена для невеликих промислових застосувань діапазоном потужності 0.4...22 кВт. Крутний момент 100% при 1.5 Гц і 150% при 3 Гц. Використання з важкої/легкої навантаженням від 5.5 кВт, що робить його широко використовуваним в насосах, вентиляторах, транспортування, смесительном обладнанні, HVAC, текстильних машинах. VFC 5610 високопродуктивний векторний перетворювач, який покриває діапазон потужності 0.4...250 кВт. Пусковий крутний момент 200% при 0.5 Гц, висока точність регулювання і швидкий динамічний відгук дозволяють застосовувати його у верстатах з ЧПК, металообработке, поліграфії, компресорах і багатьох інших галузях промисловості.
Компактність
-Модульна конструкція.
-Монтаж пліч-о-пліч (до 22 кВт) економить простір усередині шафи управління.
-Монтаж на DIN - рейку (7.5 кВт і нижче).
-1.5 кВт і нижче - відсутній вентилятор охолодження, незалежна конструкція воздуховода у 1.5 кВт і вище для підвищення ефективності розсіювання тепла.
Простота в експлуатації
-Легко знімний LED пульт управління, пульт LCD - опціонально.
-Меню швидкого запуску для легкого введення в експлуатацію.
-Знімний пульт оператора з копіюванням параметрів і можливістю установки на двері шафи управління.
- Швидко знімні клемники входів/виходів для простої установки і обслуговування.
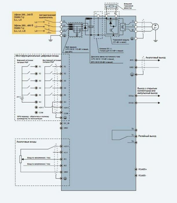
- Можливість розширення входів/виходів і інтерфейсів зв'язку за допомогою спеціального модуля для 2 плат розширення.
- Вбудований гальмівний модуль до 22 кВт.
-PNP/NPN типи переходів цифрових входів.
Потужний і високоефективний
- Можливість перемикання перевантажувальної здатності (HD/ND).
- VFC 5610 потужністю 110 кВт і вище має вбудований дросель в ланці постійного струму та мережевий фільтр ЕМС.
-Високоефективна технологія управління вектором і крутним моментом (VFC 5610).
- Технологія придушення низькочастотних коливань і відстеження швидкості.
- Функція низької напруги і відновлення після втрати живлення.
- Функція "Сплячого режиму", захист від сухого ходу та витоку насоса.
- Імпульсний вхід (50 кГц), імпульсний вихід (32 кГц).
- Управління перезбудженням скорочує час гальмування до 50 %.
-Додаткове джерело живлення +24 В для плат управління.
- Стандартно вбудований Modbus RTU, опціонально PROFIBUS DP, CANopen.
Швидке введення в експлуатацію та оновлення прошивки за допомогою безкоштовного програмного забезпечення (підключення до ПК через інтерфейс mini USB).
Застосування:
-Вентилятори, насоси, кондиціювання повітря. Розрахунок енергозбереження
-Контролювання споживання електроенергії для подальшого розрахунку економії електрики. Функція нагадування
-Служить для своєчасного обслуговування без зупинки технологічного процесу, коли перевищено термін служби пристрою. Авто підхоплення швидкості обертання
-Початкове визначення швидкості і напрямку обертання двигуна з подальшим плавним розгоном. Каскадне управління насосами
-Використовуючи прикладне програмне забезпечення ASF1 і плату релейних виходів можливо керування одним частотним перетворювачем до 4-х насосів одночасно. Функція сну, захист від витоку і сухого ходу насоса.
Текстильне виробництво та фарбування
Сушильно-ширильные, крутильні та прядильні машини. Унікальний дизайн
-Конструкція подвійного воздуховода, радіатор та електронні компоненти повністю ізольовані і захищені від забруднення.
-Спеціальна гладка конструкція радіатора, для позбавлення від залишків бавовни і кращого розсіювання тепла.
-Безвентиляторна конструкція (1.5 кВт і нижче).
-Легко знімні вентилятори (1.5 кВт і вище). Спеціальне покриття плат
-Всі плати покриті спеціальним лаком німецького виробництва, що підвищує стійкість до вологи і пилу. Робота на низькій напрузі
-Параметри вихідної напруги, коли напруга мережі низьке. Шина постійного струму
-Можливість підключення ПЧ по шині постійного струму для розподілу навантаження і зменшення електроспоживання
Металообробні верстати
Токарні, шліфувальні, сверильные, фрезерні, розточні верстати, машини для холодного різання та інші. Компактна конструкція
-Монтаж на DIN-рейку і пліч-о-пліч для економії простору. Високий пусковий момент
-Відповідає вимогою високоточної різки металу на низькій швидкості, а також уникнення перевантаження по струму. Динамічний відгук
-Можливість швидкого відгуку підтримки швидкості в разі
нерівній поверхні заготовки для поліпшення якості обробки. Вбудований гальмівний модуль
-Немає необхідності здобувати гальмівний модуль додатково.
Пакувальне виробництво
Конвеєрні стрічки, машини для видувного формування, змішувачі, этикеровочные і машини для висічки, а також багато інших. Знімні клемники
-Простота в установці і обслуговуванні. Функція лічильника
-Здійснення сортування і упаковки по внутрішньому лічильнику. -Багатофункціональний пульт управління
-Пульт управління з функцією пам'яті для перенесення параметрів.
-Можливість виносу пульту управління на дверцята шафи. Багатошвидкісне управління
-Вбудований ПЛК для послідовного керування швидкістю.
Rexroth VFC 3610 і 5610 сконцентрований в основному на ринках, що розвиваються. VFC 3610 - це вдосконалена модель перетворювача зі скалярним управлінням U/f, розроблена для невеликих промислових застосувань діапазоном потужності 0.4...22 кВт. Крутний момент 100% при 1.5 Гц і 150% при 3 Гц. Використання з важкої/легкої навантаженням від 5.5 кВт, що робить його широко використовуваним в насосах, вентиляторах, транспортування, смесительном обладнанні, HVAC, текстильних машинах. VFC 5610 високопродуктивний векторний перетворювач, який покриває діапазон потужності 0.4...250 кВт. Пусковий крутний момент 200% при 0.5 Гц, висока точність регулювання і швидкий динамічний відгук дозволяють застосовувати його у верстатах з ЧПК, металообработке, поліграфії, компресорах і багатьох інших галузях промисловості.
Компактність
-Модульна конструкція.
-Монтаж пліч-о-пліч (до 22 кВт) економить простір усередині шафи управління.
-Монтаж на DIN - рейку (7.5 кВт і нижче).
-1.5 кВт і нижче - відсутній вентилятор охолодження, незалежна конструкція воздуховода у 1.5 кВт і вище для підвищення ефективності розсіювання тепла.
Простота в експлуатації
-Легко знімний LED пульт управління, пульт LCD - опціонально.
-Меню швидкого запуску для легкого введення в експлуатацію.
-Знімний пульт оператора з копіюванням параметрів і можливістю установки на двері шафи управління.
- Швидко знімні клемники входів/виходів для простої установки і обслуговування.
- Можливість розширення входів/виходів і інтерфейсів зв'язку за допомогою спеціального модуля для 2 плат розширення.
- Вбудований гальмівний модуль до 22 кВт.
-PNP/NPN типи переходів цифрових входів.
Потужний і високоефективний
- Можливість перемикання перевантажувальної здатності (HD/ND).
- VFC 5610 потужністю 110 кВт і вище має вбудований дросель в ланці постійного струму та мережевий фільтр ЕМС.
-Високоефективна технологія управління вектором і крутним моментом (VFC 5610).
- Технологія придушення низькочастотних коливань і відстеження швидкості.
- Функція низької напруги і відновлення після втрати живлення.
- Функція "Сплячого режиму", захист від сухого ходу та витоку насоса.
- Імпульсний вхід (50 кГц), імпульсний вихід (32 кГц).
- Управління перезбудженням скорочує час гальмування до 50 %.
-Додаткове джерело живлення +24 В для плат управління.
- Стандартно вбудований Modbus RTU, опціонально PROFIBUS DP, CANopen.
Швидке введення в експлуатацію та оновлення прошивки за допомогою безкоштовного програмного забезпечення (підключення до ПК через інтерфейс mini USB).
Застосування:
-Вентилятори, насоси, кондиціювання повітря. Розрахунок енергозбереження
-Контролювання споживання електроенергії для подальшого розрахунку економії електрики. Функція нагадування
-Служить для своєчасного обслуговування без зупинки технологічного процесу, коли перевищено термін служби пристрою. Авто підхоплення швидкості обертання
-Початкове визначення швидкості і напрямку обертання двигуна з подальшим плавним розгоном. Каскадне управління насосами
-Використовуючи прикладне програмне забезпечення ASF1 і плату релейних виходів можливо керування одним частотним перетворювачем до 4-х насосів одночасно. Функція сну, захист від витоку і сухого ходу насоса.
Текстильне виробництво та фарбування
Сушильно-ширильные, крутильні та прядильні машини. Унікальний дизайн
-Конструкція подвійного воздуховода, радіатор та електронні компоненти повністю ізольовані і захищені від забруднення.
-Спеціальна гладка конструкція радіатора, для позбавлення від залишків бавовни і кращого розсіювання тепла.
-Безвентиляторна конструкція (1.5 кВт і нижче).
-Легко знімні вентилятори (1.5 кВт і вище). Спеціальне покриття плат
-Всі плати покриті спеціальним лаком німецького виробництва, що підвищує стійкість до вологи і пилу. Робота на низькій напрузі
-Параметри вихідної напруги, коли напруга мережі низьке. Шина постійного струму
-Можливість підключення ПЧ по шині постійного струму для розподілу навантаження і зменшення електроспоживання
Металообробні верстати
Токарні, шліфувальні, сверильные, фрезерні, розточні верстати, машини для холодного різання та інші. Компактна конструкція
-Монтаж на DIN-рейку і пліч-о-пліч для економії простору. Високий пусковий момент
-Відповідає вимогою високоточної різки металу на низькій швидкості, а також уникнення перевантаження по струму. Динамічний відгук
-Можливість швидкого відгуку підтримки швидкості в разі
нерівній поверхні заготовки для поліпшення якості обробки. Вбудований гальмівний модуль
-Немає необхідності здобувати гальмівний модуль додатково.
Пакувальне виробництво
Конвеєрні стрічки, машини для видувного формування, змішувачі, этикеровочные і машини для висічки, а також багато інших. Знімні клемники
-Простота в установці і обслуговуванні. Функція лічильника
-Здійснення сортування і упаковки по внутрішньому лічильнику. -Багатофункціональний пульт управління
-Пульт управління з функцією пам'яті для перенесення параметрів.
-Можливість виносу пульту управління на дверцята шафи. Багатошвидкісне управління
-Вбудований ПЛК для послідовного керування швидкістю.
ID: 904769611
Связаться с продавцом
xxx xxx xxx
Опубликовано 26 ноября 2025 г.
Перетворювач частоти Bosch Rexroth VFC 5610 7.5кВт 380В (R912005104)
18 000 грн.
Договорная
Местоположение
Возвраты
Уверенность в каждой покупке
Вы можете бесплатно вернуть товар при получении, если он не соответствует вашим ожиданиям. Подробнее