Бизнес
OLX Доставка
ХАРАКТЕРИСТИКИ
- Подходит для авто
ГАЗ
- Код запчасти
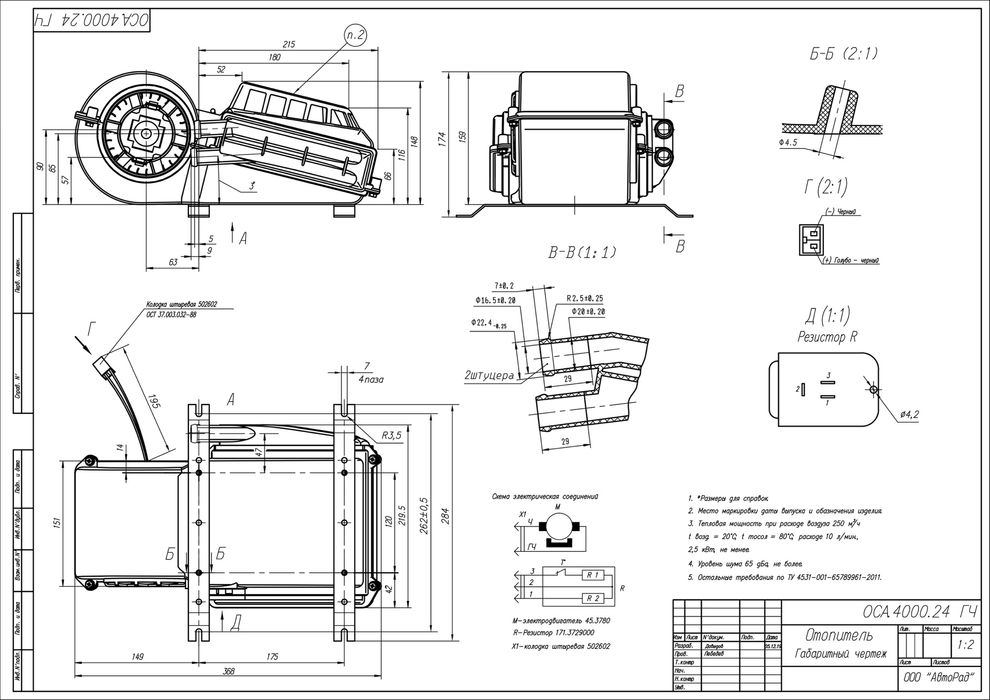
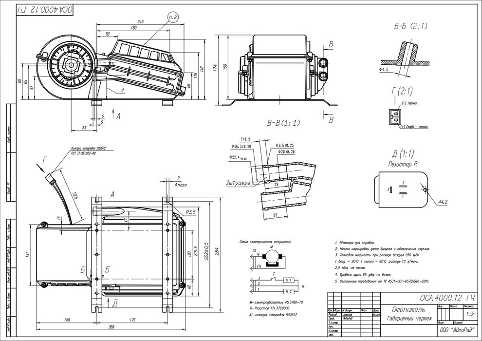
ОСА-4000.12
- Тип запчасти
Оригинал
- Состояние
Новое
Описание
Преимущество данного отопителя – компактность и возможность подключения трехскоростного режима работы (дополнительно необходим жгут ОСА.4000-3724188). Устанавливается в коммерческие грузопассажирские автомобили со сдвоенной кабиной. Конструкция корпуса позволяет закрепить отопитель практически под любое сиденье, не занимая лишнего пространства. Дефлекторы выхода воздуха равномерно распределяют нагретый поток по трем сторонам, быстро создавая комфортную температуру по всему объему салона. Индивидуальная упаковка и маркировка. В комплект входят кронштейны для крепления отопителя.
Номенклатура запасных частей:
- Электродвигатель отопителя с вентилятором 45.3730-10 производства ПАО «КЗАЭ», г. Калуга.
- Радиатор отопителя АР.4000.8110060, алюминиевый, двухрядный, диаметр выходных патрубков 20 мм, бачки из полиамида. В производстве используется исключительно отечественный алюминий, имеющий, в отличие от импортных аналогов, свидетельство радиационного контроля.
- Резистор добавочный 171-3729 или 171-3729-01.
- Корпус отопителя, как и бачки радиатора отопителя, изготовлен из полиамида, имеющего ударопрочные характеристики и стойкость к воздействию высоких температур. К каждой партии полиамида прилагается гигиенический сертификат о допустимом содержании формальдегида.
Основные технические характеристики:
Тепловая мощность отопителя – от 2500 до 4000 Вт
Напряжение питания источника постоянного тока – 12 В
Потребляемая электрическая мощность – 90 Вт
Номинальный ток – 15 А
Количество скоростей – 3
Избыточное давление теплоносителя – до 0,2 МПа (2,0 кгс/см2)
Универсальный дополнительный отопитель предназначен для обогрева в холодное время года кабины и салона автобусов, микроавтобусов и другой автотракторной и дорожно-строительной техники с бортовой сетью 12 В.
Воздух, подогреваемый рабочей жидкостью (теплоноситель), поступающей в радиатор отопителя из системы охлаждения двигателя, нагнетается в салон или кабину.
В качестве теплоносителя используются жидкости: «Cool Stream Standard», «SINTEC Антифриз», антифриз «FELIX CARBOX», «NIAGARA GREEN», «Cool Stream Premium».
ВНИМАНИЕ! Не допускается применение колодезной, речной воды, а также воды из других водоемов, которая, из-за повышенного уровня щелочности, может послужить причиной образования накипи и коррозии в радиаторе отопителя.
Требования к монтажу:
Установить и закрепить отопитель в удобном для эксплуатации месте, исключающем его механическое повреждение.
Обеспечить надежное соединение шлангов системы охлаждения двигателя с радиатором отопителя. Есть количество. Также есть в наличии ОСА-4000.24 на 24В. Возможна продажа в безнале, с НДС.
Вес (кг) 2.85
Длина 0.375
Ширина 0.285
Высота 0.17
Производство: АвтоРад оригинал
Наш сайт http://prom-trans.com.ua/
Номенклатура запасных частей:
- Электродвигатель отопителя с вентилятором 45.3730-10 производства ПАО «КЗАЭ», г. Калуга.
- Радиатор отопителя АР.4000.8110060, алюминиевый, двухрядный, диаметр выходных патрубков 20 мм, бачки из полиамида. В производстве используется исключительно отечественный алюминий, имеющий, в отличие от импортных аналогов, свидетельство радиационного контроля.
- Резистор добавочный 171-3729 или 171-3729-01.
- Корпус отопителя, как и бачки радиатора отопителя, изготовлен из полиамида, имеющего ударопрочные характеристики и стойкость к воздействию высоких температур. К каждой партии полиамида прилагается гигиенический сертификат о допустимом содержании формальдегида.
Основные технические характеристики:
Тепловая мощность отопителя – от 2500 до 4000 Вт
Напряжение питания источника постоянного тока – 12 В
Потребляемая электрическая мощность – 90 Вт
Номинальный ток – 15 А
Количество скоростей – 3
Избыточное давление теплоносителя – до 0,2 МПа (2,0 кгс/см2)
Универсальный дополнительный отопитель предназначен для обогрева в холодное время года кабины и салона автобусов, микроавтобусов и другой автотракторной и дорожно-строительной техники с бортовой сетью 12 В.
Воздух, подогреваемый рабочей жидкостью (теплоноситель), поступающей в радиатор отопителя из системы охлаждения двигателя, нагнетается в салон или кабину.
В качестве теплоносителя используются жидкости: «Cool Stream Standard», «SINTEC Антифриз», антифриз «FELIX CARBOX», «NIAGARA GREEN», «Cool Stream Premium».
ВНИМАНИЕ! Не допускается применение колодезной, речной воды, а также воды из других водоемов, которая, из-за повышенного уровня щелочности, может послужить причиной образования накипи и коррозии в радиаторе отопителя.
Требования к монтажу:
Установить и закрепить отопитель в удобном для эксплуатации месте, исключающем его механическое повреждение.
Обеспечить надежное соединение шлангов системы охлаждения двигателя с радиатором отопителя. Есть количество. Также есть в наличии ОСА-4000.24 на 24В. Возможна продажа в безнале, с НДС.
Вес (кг) 2.85
Длина 0.375
Ширина 0.285
Высота 0.17
Производство: АвтоРад оригинал
Наш сайт http://prom-trans.com.ua/
ID: 790096493
Связаться с продавцом
xxx xxx xxx
Опубликовано 13 ноября 2025 г.
Отопитель салона дополнительный ГАЗель, ПАЗ ОСА-4000 20мм 12В/24В
3 000 грн.
Местоположение
Возвраты
Уверенность в каждой покупке
Вы можете бесплатно вернуть товар при получении, если он не соответствует вашим ожиданиям. Подробнее