Перейти к основному разделу
Чат
  • Укр
  • Рус

Уведомления

Ваш профиль

Подать объявление
Блок для инкубатора
Блок для инкубатора
РекламироватьПоднять

Частное лицо

OLX Доставка

Описание

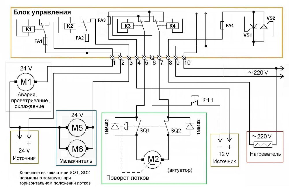
Работа блока управления - когда текущие значения температуры и влажности не совпадают с установленными , то произойдет подключение или отключение нагрузок в каналах управления. В микроконтроллере запрограммирован PID - алгоритм управления температурой, индикация и обработка аварийной ситуации, с подачей прерывистого звукового сигнала и включением аварийного вентилятора при переувлажнении или перегреве инкубационной камеры. Аварийный канал выполняет три функции: основная функция - сброс температуры и влажности, вспомогательные функции - проветривание и охлаждение.
ID: 749514519

Связаться с продавцом

Виктор

на OLX с март 2012 г.

Онлайн 17 марта 2026 г.

xxx xxx xxx

Опубликовано 26 марта 2026 г.

Блок для инкубатора

300 грн.

Договорная

Местоположение

Возвраты

Уверенность в каждой покупке

Вы можете бесплатно вернуть товар при получении, если он не соответствует вашим ожиданиям. Подробнее

Бесплатное приложение для твоего телефона